Moto Guzzi wiring loom
Moto Guzzi wiring loom
Hi all, my type 3 has arrived and have sorted all the various parts ready for their eventual installation. The donor wiring loom looks very intimidating, has anyone got any pictures, diagrams or pointers to help me with untangling this mass of wires?
Guy
Guy
Re: Moto Guzzi wiring loom
Hi Guy
Are you trying to use the bike loom or have you bought a new loom from Al?
The bike loom will be a nightmare unravelling all the necessary/unnecessary threads.
Get yourself a Triking loom, I can email you a wiring diagram that you can print out on an A4 printer and be able to read it.
The Triking loom covers most things except a reversing light.
Tony
Are you trying to use the bike loom or have you bought a new loom from Al?
The bike loom will be a nightmare unravelling all the necessary/unnecessary threads.
Get yourself a Triking loom, I can email you a wiring diagram that you can print out on an A4 printer and be able to read it.
The Triking loom covers most things except a reversing light.
Tony
Re: Moto Guzzi wiring loom
I used the original Cali loom in my build, not sure whether I would use it if I started a another build; however, I’ve never had a problem with my electric’s. I’ve attached a picture of my loom when removed from the bike, I attached labels to each connection to assist with the fitting. Some cables had to be shortened and some lengthened. Not the prettiest wiring job but functional. For the wiring of the lights I used the standard seven core cable, the type used to wire trailer board lights.
Re: Motto Guzzi wiring loom
Thanks for the replies, I had purchased the Triking wiring loom, and the kit came with a box of donor parts which included the original guzzi loom, I thought that I would have to incorporate some of these wires and connections with the Triking loom. I'm going through the Triking loom now and have noted and tagged the individual wires to see what goes where, so I think I am getting a clearer picture now.
Re: Moto Guzzi wiring loom
Guy
I've emailed a copy of the wiring diagram to you.
Good luck.
I've emailed a copy of the wiring diagram to you.
Good luck.
Re: Moto Guzzi wiring loom
Tony
Thankyou.
Thankyou.
-
CairAndros
- Posts: 44
- Joined: Thu Jan 20, 2022 10:13 am
- Location: Netherlands
Re: Moto Guzzi wiring loom
Hallo you all,
I have a major issue with the wiring loom.
I am using a California 3 loom that i took from the donor bike , which was running and done only 30000km(19000 Miles).
I am using the steeringcolumn switch from Triking and the controlelights display from the bike.
Now i have only schorten or lengten the electricical lines to fit the new configuration of the dashboard.
But when i join the steering switch to the wiring loom connector(old steering controle on the left of the bike), the stranged things happen and when one moment the Horn works the next it stops.
The same with the lights and or the high and low beam in connection with the left and right signaal.
It is driving me nuts
.
Is there any one out there who can give me advise or send me a correct electrical scheme for a California 3 from 1991-1992 the bike was a anniversario bike.
Many thanks in avance
Regards Henk
I have a major issue with the wiring loom.
I am using a California 3 loom that i took from the donor bike , which was running and done only 30000km(19000 Miles).
I am using the steeringcolumn switch from Triking and the controlelights display from the bike.
Now i have only schorten or lengten the electricical lines to fit the new configuration of the dashboard.
But when i join the steering switch to the wiring loom connector(old steering controle on the left of the bike), the stranged things happen and when one moment the Horn works the next it stops.
The same with the lights and or the high and low beam in connection with the left and right signaal.
It is driving me nuts
.Is there any one out there who can give me advise or send me a correct electrical scheme for a California 3 from 1991-1992 the bike was a anniversario bike.
Many thanks in avance
Regards Henk
-
Richard and Pat
- Posts: 900
- Joined: Wed Sep 26, 2018 3:44 pm
- Location: Biggleswade
Re: Moto Guzzi wiring loom
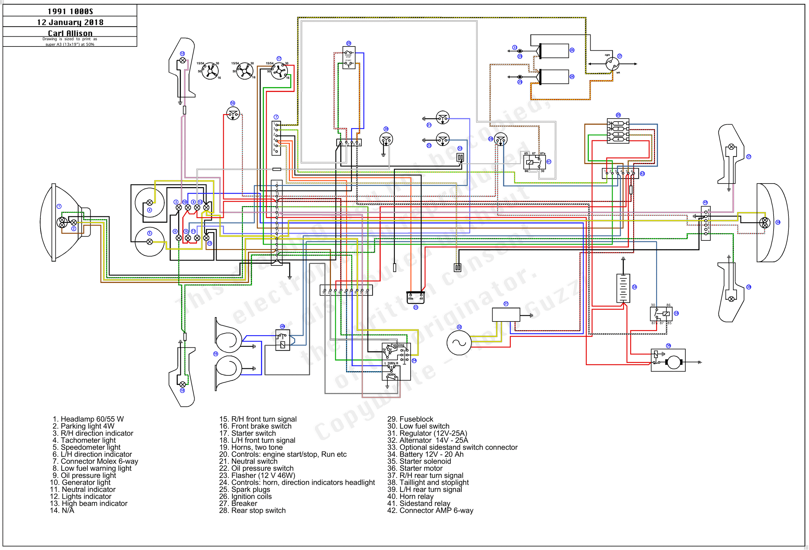
Is this any good Henk?
If it is too small I can send via WeTransfer [a web site for sending large files].
If it is too small I can send via WeTransfer [a web site for sending large files].
-
CairAndros
- Posts: 44
- Joined: Thu Jan 20, 2022 10:13 am
- Location: Netherlands
Re: Moto Guzzi wiring loom
Thanks Richard ,
That scheme is great i can easly enlarge the image that Will be a great help.
That scheme is great i can easly enlarge the image that Will be a great help.